ZQ-Y3電阻應變式壓力傳感器
- 產品分類:壓力傳感器
- 全國咨詢熱線:
- 13907318074
分享到:
概述
ZQ—Y/3電阻應變式壓力傳感器采用平膜片彈性體結構為敏感元件、高精度電阻應變花為轉換元件,具有結構簡單,過載能力強、精度高、性能穩定等特點。廣泛用于各系統中作靜、動態壓力測量及控制。
特點
高精度、高穩定性、高可靠性
使用壽命長
結構精巧、環境適應性強
安裝方便
隔離防爆(可選)
主要技術指標
非線性誤差 ≤±0.1%F.S ≤±0.3%F.S
滯后誤差 ≤0.1%F.S ≤±0.3%F.S
重復性誤差 ≤±0.05%F.S ≤±0.15%F.S
溫度零點漂移 0.005%F.S /℃
輸出靈敏度: 1~1.5mV/V
輸出阻抗及橋壓 350Ω/10VDC、1000Ω/24VDC
絕緣電阻: ≥2000MΩ
工作環境溫度 -25℃~+55℃
過載壓力 200%F.S
系列規格 0.6Mpa 1Mpa 1.5Mpa 2Mpa
2.5Mpa 3Mpa 3.5Mpa 5Mpa 7Mpa 8Mpa
10Mpa 15Mpa 20Mpa 25Mpa 30Mpa
35Mpa 40Mpa 50Mpa 60Mpa
結構特性
膜片材料 優質合金結構鋼或不銹鋼
接頭材料 1Cr18Ni9Ti
外殼材料 1Cr18Ni9Ti
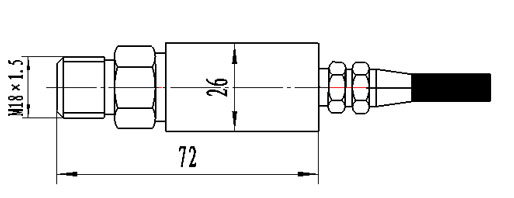
連接螺紋 M20×1.5、M18×1.5、M12× 1 M10×1 根據用戶要求定做不同規格連螺紋。
引線方式 電纜線(標準長度1m) 航空插頭 座 CX16Z5FG1、X12K5P
外形尺寸圖

ZQ—Y/3電阻應變式壓力傳感器采用平膜片彈性體結構為敏感元件、高精度電阻應變花為轉換元件,具有結構簡單,過載能力強、精度高、性能穩定等特點。廣泛用于各系統中作靜、動態壓力測量及控制。
特點
高精度、高穩定性、高可靠性
使用壽命長
結構精巧、環境適應性強
安裝方便
隔離防爆(可選)
主要技術指標
非線性誤差 ≤±0.1%F.S ≤±0.3%F.S
滯后誤差 ≤0.1%F.S ≤±0.3%F.S
重復性誤差 ≤±0.05%F.S ≤±0.15%F.S
溫度零點漂移 0.005%F.S /℃
輸出靈敏度: 1~1.5mV/V
輸出阻抗及橋壓 350Ω/10VDC、1000Ω/24VDC
絕緣電阻: ≥2000MΩ
工作環境溫度 -25℃~+55℃
過載壓力 200%F.S
系列規格 0.6Mpa 1Mpa 1.5Mpa 2Mpa
2.5Mpa 3Mpa 3.5Mpa 5Mpa 7Mpa 8Mpa
10Mpa 15Mpa 20Mpa 25Mpa 30Mpa
35Mpa 40Mpa 50Mpa 60Mpa
結構特性
膜片材料 優質合金結構鋼或不銹鋼
接頭材料 1Cr18Ni9Ti
外殼材料 1Cr18Ni9Ti
連接螺紋 M20×1.5、M18×1.5、M12× 1 M10×1 根據用戶要求定做不同規格連螺紋。
引線方式 電纜線(標準長度1m) 航空插頭 座 CX16Z5FG1、X12K5P
外形尺寸圖





